Precision-engineered bolts, nuts, studs, and special fasteners designed in AutoCAD and manufactured to your exact technical specifications for industrial and construction applications across Pakistan.
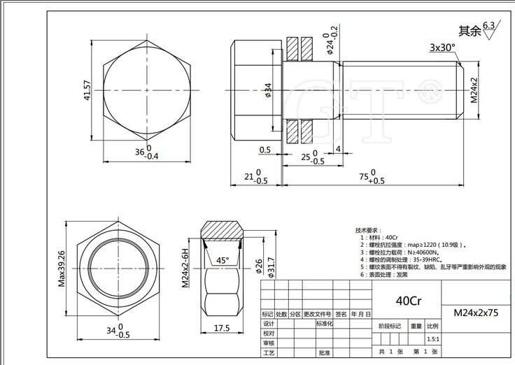
Our AutoCAD-based custom fastener design and manufacturing service is built for industries that require non-standard, high-precision fastening solutions. We convert your drawings, samples, or load requirements into accurate AutoCAD technical designs, then manufacture custom bolts, nuts, studs, anchor fasteners, and special parts using controlled machining and forming processes.
From thread profiles and tolerances to material selection and surface finish, every fastener is engineered to match your application — whether it’s for structural steel, heavy machinery, pipelines, or industrial assemblies. We support small prototype batches as well as bulk production, delivering reliable fastening components to clients across Pakistan with consistent dimensional accuracy and performance.
Custom anchor bolts, foundation fasteners, and threaded rods designed for load-bearing and site-specific requirements.
Special bolts and nuts for machinery assembly, conveyors, presses, and production-line equipment where standard fasteners don’t fit.
Precision fasteners for flanges, pipe supports, and mechanical joints requiring accurate dimensions and material compatibility.
Every project has different mechanical and environmental requirements, which is why our custom fastener solutions are fully configurable. From initial design to final production, specifications are adjusted to match your exact application needs rather than forcing standard sizes or off-the-shelf parts.
We review your drawings, samples, or technical requirements to understand load, size, and application conditions.
Our engineers prepare accurate AutoCAD-based fastener drawings and confirm dimensions, threads, and tolerances before production.
Appropriate steel or alloy grades are chosen based on strength, corrosion exposure, and service environment.
Fasteners are produced using machining or forming processes, followed by required heat treatment and surface finishing.
We manufacture custom fasteners using carefully selected metals and finishes to match structural and mechanical requirements. Depending on load, environment, and service life, we work with carbon steel for general industrial use, alloy steel for high-strength applications, and stainless steel where corrosion resistance is critical. Fasteners can be supplied in heat-treated form to improve tensile and shear strength, with surface finishes ranging from plain and black to polished, galvanized, or zinc-coated for outdoor and humid conditions. Thread standards, tolerances, and profiles are produced according to engineering drawings, ensuring compatibility with structural steel, machinery assemblies, and industrial installations.
Each fastener is designed in AutoCAD based on load, fit, and application requirements rather than generic dimensions.
Production follows defined machining and forming processes to maintain accuracy, strength, and repeatable quality.
Steel grades and surface coatings are selected according to environmental exposure and service conditions.
We provide technical coordination and delivery support for industrial and construction projects across Pakistan.
Share your drawing, sample, or technical requirement and let our team prepare an AutoCAD-based fastener design with accurate manufacturing to match your application.